오늘(2024년 11월 18일) 있었던 전기기능사 실기 시험 후기입니다. 전기기능사 실기 시험을 기다리고 있는 분들을 위하여 실기 시험 후기를 정리해 보았습니다. 시험 감독관님마다 말씀하시는 것이 조금씩 다른것 같습니다.
● 시험 회차 : 2024년 4회
● 시험 장소 : 전북 전주 폴리텍대학신기술교육원
● 입실시간 : 8시 30분
● 수험자 대기실 입실후 신분증 확인하고 명찰보다 큰 번호표 배부(배부가 아니라 가방에 번호표를 넣고 수험생들이 돌아가면서 번호표를 뽑으면 뽑은 번호표가 본인 작업 자리가 됨)
● 작업장으로 이동(수험자 대기실과 작업장은 다름)
● 작업장에 가면 자재가 담겨있는 플라스틱 박스가 탁자위에 놓여 있음. 본인 번호가 있는 자리에 가서 않으면 됨
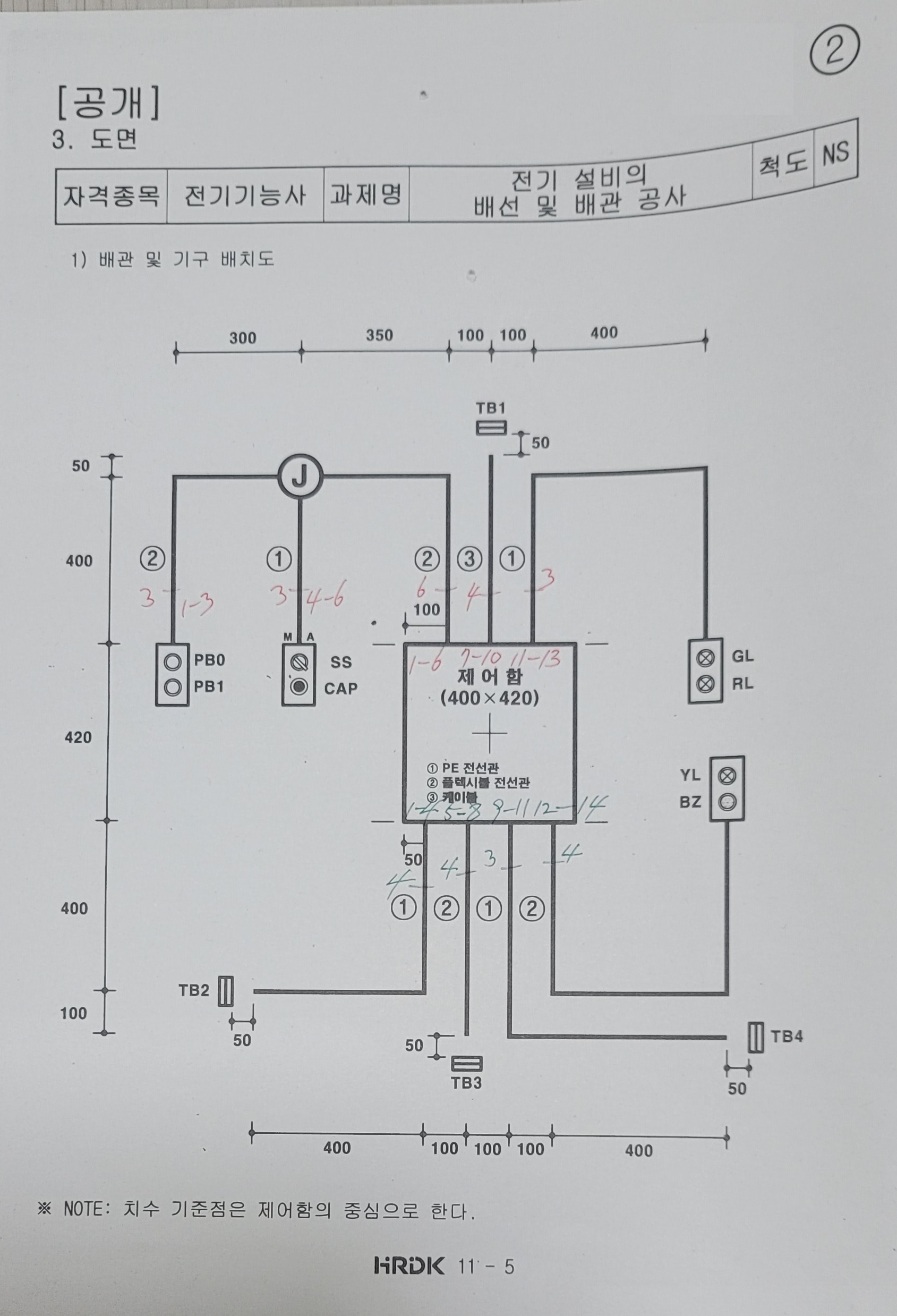
● 시험 작업 문제지 배부 : 문제 2번임
● 요구사항 등을 감독관님 다 읽어줌. 이때 전원선 인출등에 대하여 이야기 함
- 개인이 가져온 재료는 사용하면 안됨(분필도 지급된것 만 사용하라고 함)
- 전원선은 갈색과 회색 2가닥만 10㎝ 정도 인출할 것
- 케이블은 자르지 말고 꼬아서 정리할 것(어느 시험장에서는 잘라야 된다고 함)
- FLS 인출선은 E3 한 가닥만 5㎝ 정도 인출할 것

● 자재 확인 : 시험지 자재 목록과 플라스틱 박스에 담긴 지급된 자재 수량 확인
- 램프, 버튼 등을 중심으로 확인
- 새들, 나사못 등은 확인 불필요(추가로 달라고 하면 시험 보조원이 가져다 줌)
- 전선은 길이를 잴수가 없는데, 중분하게 지급되니 걱정안해도 됨
● 칠판에 현재 시간을 적어놓고 시험 시작. 그 시간 기준으로 시험 시간 체크
● 화장실은 시험 중간에 말하고 다녀올 수 있음
● 도면 작업 : 학원에서 배운대로 핀번호 부여
- 위로 빼는 것은 빨간색, 아래로 빼는것은 초록색, 그외는 검정색


● 제어판 작업
- 문제지에 맞게 기구 배치 : 제어판 합판에 기구를 나사못으로 박을때 전동 드라이버 토크를 조금 줄여서 조심히 하셔야 합니다. 나사못이 헛돌게 되면 조금 당황스럽습니다. 미리 긴 나사못을 몇개 챙겨 가시는 것도 좋습니다.
- 배선 작업

● 배관 작업
- 본인 번호의 작업대로 이동
- 벽면 합판에 배관 설계
- 배관 설계대로 기구 부착 및 전선 연결
- PB0, PB1 혼동하지 말고 꼭 확인할 것
- GL, RL 위치 꼭 확인할 것(저는 GL과 RL을 거꾸로 부착했다가 최종 점검하면서 발견하여 정상으로 부착함)

● 시험 종료
- 일찍 끝난 수험생을 먼저 나가도 됨. 그렇다고 귀가하면 안됨. 먼저 나가봐야 휴대폰도 없고 하니 최대한 점검, 또 점검하면서 마무리 필요함.
- 모두 시험이 종료되면 수행생들은 밖에서 기다리고, 시험 관리자들이 테스트 함. 이때 정상 동작하는 자리는 아무 말없고, 비정상 동작하는 자리는 번호를 불러서 해당 수험자에게 잘못된 부분을 이야기 함. 다행히 내 번호는 불리지 않음. 15명 시험 봤는데 2명만 번호가 불림(여성 1명, 남성 1명인데 여성분은 금방이라도 울 것 같은 표정임)
● 철거 작업
- 새들과 제어판등을 벽면에서 분리하여 바닥에 놓아두면 오늘 시험 끝.
● 휴대폰 찾아서 귀가
● 기타
- 시간은 절대 부족하지 않음(여유를 가지고 본인의 페이스 대로 작업하고, 큰 실수만 하지 않으면 시간은 충분함)
- 저처럼 램프 또는 버튼 위치를 착각하면 안됨
- 긴장하지 말고, 실수만 하지 않으면 전부 합격 가능한 시험이라고 판단됨
아직 시험을 치르지 않거나, 내년 시험을 준비중인 분들은 조금만 더 준비해서 꼭 합격하기를 바라겠습니다.
'2막' 카테고리의 다른 글
| 2025년 1회 합격을 위한 전기기사 필기시험 준비 (2) | 2024.11.28 |
|---|---|
| 2025년 국가기술자격 시험공고 : 기술사, 기능장, 기사, 기능사 시험일정 (0) | 2024.11.27 |
| 전기기능사 실기시험 준비물 가이드 (2) | 2024.10.23 |
| 전기기능사 실기시험 준비 : 학원 vs 독학, 어떻게 준비할까? (2) | 2024.10.23 |
| 전기기능사 실기 합격 준비과정 (4) | 2024.10.23 |